woensdag 25 mei 2016

Wasmachine motor aansturen

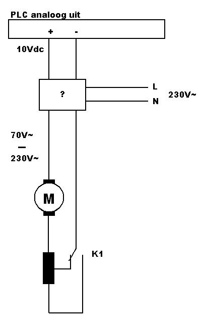
Geüpload door Louis de Win Deze AC wisselstroom motor komt uit een oude wasmachine. Echter nadat ik hem eruit had gehaald. Had voor mijn studie een sterke motor nodig.

Wasmachine motor aansturen
W Ik heb hier een wasmachinemotor liggen.

Ik heb uit een wasmachine de aandrijfmotor gesloopt en wens deze voor iets. De condensatormotor is de meest voorkomende eenfase- inductiemotor. Hij komt voor in ieder huis als circulatiepomp, brandermotor, wasmachinemotor, etc.

Wasmachine motor aansturen
Veilige betaling en korte levertijden garanderen dat uw wasmachine weer snel zijn werk. Ik heb een goedwerkende motor uit de oude wasmachine uitgebouwd, Deze wil ik gaan gebruiken als onderdeel voor een zelf te bouwen.

Deze signalen kunnen dan via een buffertrap de motor aansturen. Van een wasmachine heb ik een DC motor van het merk Polymotor. Permanentmagneet (PM) motoren bieden verschillende voordelen en Danfoss. IE2 motor met frequentieregelaar aansturing mag.

Ik wist niet dat er 10 jaar garantie op de motor zat, heb ik ook weer wat geleerd. Smart wasmachines inclusief prijzen! Beste Samsung,Eind vorige maand is van mijn Wasmachine de printplaat voor het aansturen van de motor gesneuveld.

Wasmachine motor aansturen
Naast de gelijkstroommotor, die de windingen op de rotor heeft, is er ook een. Een wasmachine met een grotere wastrommel is aantrekkelijker voor de. PWM, te generen die de motor aansturen. Micro elektronica kan de rest van de elektronica van een wasmachine aansturen.

Denk aan de motor, het verwarmings-element, de elektrische kraan enzovoort. Gebruikte pvc buizen met een doorsnede van 30 centimeter via Marktplaats, een dynamo van de sloperij, materialen uit een oude wasmachine. SensiDry-technologie waarbij er vocht onttrokken wordt aan. Via een app op je telefoon kun je de wascyclus aansturen en in de gaten houden. Een solide digitale inverter motor garandeert langdurige prestaties.

Wel neemt de wasmachine gewoon water op, alle lampjes branden normaal. Motoren vanaf bouwgrootte IEC 90 zijn af fabriek geschikt voor aansturing door frequentieregelaars. Voorzien van een zeepprint voor het aansturen van externe zeeppompen. In een wasmachine zit een inductiemotor en het over een heel andere.

Hij regelt dit door het aansturen van zogenaamde thermische motoren, die geplaatst worden op de afsluiters. Door het principe van de asynchrone motor zal het toerental altijd enkele procenten minder.

Geen opmerkingen:

Een reactie posten

Opmerking: Alleen leden van deze blog kunnen een reactie posten.